Rugosidad superficial: la fuerza silenciosa que moldea sus piezas mecanizadas CNC
¿Alguna vez te preguntaste por qué dos CNC? ¿Las piezas mecanizadas, que parecen idénticas a simple vista, funcionan de manera drásticamente diferente? La respuesta suele estar oculta en los picos y valles microscópicos de sus superficies, una característica definida por rugosidad de la superficie. En Dongguan Longwang Hardware Co., Ltd., la precisión no es sólo un objetivo; está incrustado en cada superficie que creamos. Comprender la rugosidad de la superficie es fundamental para lograr la funcionalidad, longevidad y estética que exigen sus piezas.
¿Qué es exactamente la rugosidad superficial?
Rugosidad de la superficie, a menudo llamada simplementeaspereza, cuantifica ladesviaciones microscópicasDe una superficie ideal y perfectamente plana en un componente mecanizado. Imagine acercarse muchísimo a una superficie metálica aparentemente lisa: vería un paisaje de picos (los puntos más altos) y valles (los puntos más bajos). La rugosidad superficial mide la altura y la separación de estas pequeñas irregularidades dejadas por el proceso de mecanizado (torneado, fresado, rectificado, etc.).
Es distinto deondulación(desviaciones más grandes y espaciadas, a menudo debidas a la vibración o desviación de la máquina) y "Forma" (la forma macroscópica general de la pieza). La rugosidad se refiere a la textura fina que imparte la acción de la herramienta de corte y los parámetros de mecanizado.
¿Por qué debería importarte? ¡Es más que solo la apariencia!
La rugosidad de la superficie afecta profundamente el rendimiento y el costo de sus componentes:
1. Fricción y desgaste: Una superficie más rugosa genera mayor fricción entre las piezas móviles, lo que acelera el desgaste y reduce su vida útil. Las superficies más lisas son esenciales para rodamientos, engranajes y componentes deslizantes.
2. Resistencia a la fatiga: Las superficies rugosas actúan como concentradores de tensiones. Los valles diminutos pueden ser el punto de partida de grietas por fatiga bajo cargas cíclicas, lo que podría provocar una falla catastrófica. Las superficies más lisas mejoran la resistencia a la fatiga.
3. Capacidad de sellado: Los sellos eficaces (juntas, juntas tóricas) requieren una textura superficial específica. Si es demasiado rugosa, se producen fugas; si es demasiado lisa, el sello podría no tener suficiente agarre o retención de lubricante.
4. Resistencia a la corrosión: las superficies rugosas tienen más superficie y pueden atrapar agentes corrosivos, lo que hace que la pieza sea más susceptible a la oxidación y la degradación. Los acabados más lisos suelen ofrecer una mejor protección contra la corrosión.
5. Adhesión del recubrimiento: La pintura, el enchapado y el anodizado se adhieren de forma mucho más eficaz y uniforme a superficies con una rugosidad óptima. Un acabado inadecuado puede provocar desprendimiento o formación de burbujas.
6. Estética y percepción: Si bien los aspectos funcionales son primordiales, la apariencia visual y la sensación táctil de una superficie influyen en la calidad percibida. Se eligen niveles específicos de rugosidad para lograr un atractivo estético.
7. Lubricación: La textura adecuada de la superficie ayuda a retener las películas de aceite lubricante, cruciales para la lubricación hidrodinámica en motores y transmisiones.
Medición de lo micro: parámetros y herramientas clave
¿Cómo cuantificamos estas pequeñas imperfecciones? Existen varios parámetros, pero el más común es...Rugosidad media aritmética (Ra)”.
yo Ra (rugosidad media):Este es elpromedio absolutoDe las desviaciones verticales (picos y valles) con respecto a la línea media a lo largo de una longitud de muestreo definida. Considérelo como la «altura media» de las irregularidades de la superficie.
nEjemplo: Una superficie de Ra 1,6 µm es más lisa que una superficie de Ra 3,2 µm.
yo Rz (Altura máxima promedio):Mide eldiferencia promedio Entre los cinco picos más altos y los cinco valles más profundos dentro de la longitud de muestreo. Esto proporciona una idea de los extremos máximos del perfil.
yo Rt (altura de rugosidad total): Representa eldistancia vertical absolutaentre el pico más alto y el valle más profundo a lo largo de toda la longitud de evaluación.
Herramientas de medición:
yo Probadores de rugosidad superficial (perfilómetros):El estándar de la industria. Un palpador fino traza físicamente la superficie, registrando con precisión sus movimientos verticales. Los datos se procesan para calcular Ra, Rz, Rt y otros parámetros. (Idea de imagen: Primer plano de un perfilómetro de palpador midiendo la superficie de una pieza mecanizada por CNC).
yo Perfilómetros ópticos:Utilice técnicas sin contacto, como la interferencia de luz o la microscopía confocal, para crear mapas de superficie 3D. Ideal para superficies muy delicadas.
yo Ejemplares de comparación:Muestras físicas con valores de rugosidad conocidos. Se utilizan para una rápida comparación visual y táctil en talleres, aunque son menos precisas que la medición electrónica.
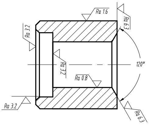
El lenguaje de la aspereza: comprensión de los símbolos en los dibujos
Los ingenieros especifican la rugosidad superficial requerida en los dibujos técnicos utilizando símbolos estandarizados:
yo El símbolo de marca de verificación (√): El símbolo básico que indica un requisito de acabado de superficie.
yo Valor de rugosidad (p. ej., Ra 3,2): Se coloca junto al símbolo, indicando el parámetro y su valor máximo permitido (a veces mín./máx.).
yo Tolerancia de mecanizado: Si se especifica, indica cuánto material debe dejarse para el acabado.
yo Método de producción:A veces se especifica (por ejemplo, "Fresado", "Molido").
yo Longitud de muestreo/patrón de colocación:Se puede agregar para aplicaciones críticas.
Dominar el acabado: controlar la rugosidad en el mecanizado CNC
Conseguir la rugosidad precisa especificada no es magia; es el resultado de controlar expertamente los parámetros de mecanizado:
1.Selección y estado de la herramienta de corte:
a)Material y geometría de la herramienta:Las herramientas afiladas con ángulos de incidencia y de incidencia adecuados producen acabados más lisos. El carburo recubierto suele tener un mejor rendimiento que el acero rápido (HSS). Las plaquitas redondas suelen producir acabados más lisos que las de esquinas afiladas.
b)Desgaste de herramientas:Una herramienta desafilada o astillada aumenta *drásticamente* la rugosidad. La inspección y el reemplazo constantes de la herramienta son fundamentales.
c)Desviación de la herramienta: Minimizar la vibración y el traqueteo es esencial. Unas configuraciones rígidas y herramientas de longitud adecuada ayudan.
2.Parámetros de corte:
a)Tasa de alimentación: El factor más influyente. Atasa de alimentación más baja Reduce significativamente la altura de las "marcas de cúspides" teóricas dejadas por la herramienta, lo que da como resultado una superficie más suave (Ra más bajo). Sin embargo, los avances más lentos aumentan el tiempo/costo de mecanizado.
b)Velocidad de corte (Vc):Las velocidades más altas a menudo permiten mejores acabados (dentro del rango óptimo para el material/herramienta), pero una velocidad excesiva puede provocar desgaste o vibración de la herramienta, aumentando la rugosidad.
do) Profundidad de corte:Se utilizan pasadas de acabado más ligeras específicamente para lograr la superficie lisa final después de cortes de desbaste más pesados.
3.Material de la pieza de trabajo:En materiales dúctiles como el aluminio, a veces puede ser difícil lograr un acabado muy liso sin recrecimiento en el borde. Los materiales más duros suelen lijarse o acabarse con mayor facilidad hasta valores Ra bajos. La consistencia del material es importante.
4.Rigidez y estado de la máquina herramienta:Un husillo desgastado o guías sueltas inducen vibración, lo que se traduce directamente en un acabado superficial deficiente. Las máquinas CNC de alta precisión y con un buen mantenimiento son esenciales para mantener valores Ra bajos y constantes.
5.Refrigerante/Lubricación:La refrigeración eficaz reduce la distorsión térmica y el desgaste de la herramienta. La lubricación minimiza la fricción y la acumulación de filo, lo que contribuye a un mejor acabado.
6.Fijación:La sujeción segura y sin vibraciones evita que la pieza se mueva durante el mecanizado, lo que degrada la calidad de la superficie.
7.Posprocesamiento:Para obtener acabados ultra suaves (Ra muy bajo), a menudo son necesarias operaciones secundarias como esmerilado, bruñido, pulido o lapeado después del mecanizado CNC inicial.
Más allá de Ra: optimización de la función en Longwang Hardware
En Longwang Hardware, no solo cumplimos con un número; entendemos lapor quéEspecificar "lo más suave posible" rara vez es ideal ni rentable. Colaboramos con usted para determinar...rugosidad óptima según la función de la pieza:
yo ¿Es una superficie de sellado? (Requiere una textura específica para la retención de la lubricación y la adherencia del sello).
yo ¿Es un muñón de cojinete? (Requiere un Ra bajo para una baja fricción y una alta resistencia al desgaste)
yo ¿Es un componente estructural sometido a carga cíclica? (Requiere un Ra bajo para minimizar los factores de aumento de tensión).
yo ¿Es una superficie estética? (Requiere un acabado visualmente agradable y uniforme)
Nuestra experiencia, su ventaja de precisión
Gracias a centros de mecanizado CNC avanzados, rigurosos controles de proceso y maquinistas expertos, Longwang Hardware entrega constantemente piezas que cumplen con las especificaciones precisas de rugosidad superficial, garantizando así rendimiento, durabilidad y valor. Utilizamos equipos de medición precisos para verificar cada dimensión crítica, incluido el acabado superficial.
¿Está listo para aprovechar el poder de los acabados de superficies de precisión para su próximo proyecto?
¡Póngase en contacto con Dongguan Longwang Hardware Co., Ltd. hoy mismo!
Deje que nuestra experiencia en mecanizado CNC y control de superficies eleve la calidad y confiabilidad de sus componentes.

